Мы используем cookie для наилучшего представления нашего сайта. Подробнее об этом в Политике конфиденциальности.
Ок

Северск

Ваш город:
Северск (Томская область)?
Нет
Да
Каталог
Каталог Написать в WhatsApp
Мотоэкипировка

Топливный насос 4-Х ТАКТНОГО ПЛМ MERCURY 80 Серийный номер от 1B227000 до 1B366822

Топливный насос 4-Х ТАКТНОГО ПЛМ MERCURY 80 Серийный номер от 1B227000 до 1B366822 в Новосибирске: актуальный каталог, цены, фото, описание. Купите топливный насос 4-х тактного плм mercury 80 серийный номер от 1b227000 до 1b366822 в кредит – оформите заявку онлайн за 1 минуту!

Оригинальные запчасти

Артикул НАИМЕНОВАНИЕ Кол-во деталей в узле Примечание Наличие Цена Аналоги Фото
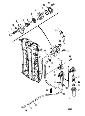
1 8M0091468 FUEL PUMP

Под заказ

1

Под заказ

уточнить

Купить
2 881544 SPRING

Под заказ

1

Под заказ

уточнить

Купить
3 881545001 PLUNGER

Под заказ

1

Под заказ

уточнить

Купить
4 881546 SPRING

Под заказ

1

Под заказ

уточнить

Купить
5 881547 Диафрагма (DIAPHRAGM)

Под заказ

1

Под заказ

уточнить

Купить
6 881548 PIN

Под заказ

1

Под заказ

уточнить

Купить
7 881550 SCREW

Под заказ

3

Под заказ

уточнить

Купить
8 881333 NUT

Под заказ

3

Под заказ

уточнить

Купить
9 8M0050719 O-RING

Под заказ

1

Под заказ

уточнить

Купить
10 56762 STA-STRAP, WIRES

Под заказ

2

Под заказ

уточнить

Купить
11 804256 BOLT, (M6 x 30)

Под заказ

2

Под заказ

уточнить

Купить
12 881543001 TUBING

Под заказ

1

Под заказ

уточнить

Купить
13 881542006 BRACKET

Под заказ

1

Под заказ

уточнить

Купить
14 811188T BOLT

Под заказ

1

Под заказ

уточнить

Купить
15 82382M Гайка (NUT)

Под заказ

1

Под заказ

уточнить

Купить
16 881538T02 Фильтр (FILTER)

Под заказ

1

Под заказ

уточнить

Купить
17 881540 Фильтрующий элемент (ELEMENT)

Под заказ

1

Под заказ

уточнить

Купить
18 826966T O RING

Под заказ

1

Под заказ

уточнить

Купить
19 881541 FLOAT

Под заказ

1

Под заказ

уточнить

Купить
20 881539 Крышка топливного фильтра (CUP)

Под заказ

1

Под заказ

уточнить

Купить
21 8M0108349 Шланг (HOSE-70 INCH)

Под заказ

1

Под заказ

уточнить

Купить
22 822769 CONNECTOR

Под заказ

1

Под заказ

уточнить

Купить
23 828547T1 CONDUIT, (.500 Inside Diameter x 3.00 Feet Bulk)

Под заказ

1

Под заказ

уточнить

Купить
24 858732A03 GASKET SET, Powerhead

Под заказ

1

Под заказ

уточнить

Купить
25 881310T07 HEAD-CYLINDER

Под заказ

1

Под заказ

уточнить

Купить
26 881310T10 CYLINDER HEAD

Под заказ

1

Под заказ

уточнить

Купить

Нулевая цена не означает отсутствие товара. Оформите заказ, и менеджер сообщит вам цену и наличие товара, предварительно запросив их у поставщика

Главная Магазины
Корзина0
Профиль